产品型号

工作原理
ZJNQ 型高压磁控软起动装置由磁控电抗器本体和二次控制回路组成。其工作过程:在电机起动前,通过人机界面设置起动参数,把起动电流写进软起动控制器。电机起动时,通过闭环互感器取样,软起动控制器比较设置电流和实际起动电流后发出触发脉冲,调节可控硅的导通角,从而改变电机端电压的大小,使起动电流锁定在设定值,实现电机的恒流软起动。
技术特点
采用自励式,直流励磁绕组无需提供辅助电源。
高压绕组阻抗变化范围大,能降至初始值的2%.。
采用了磁屏蔽技术,无漏磁。
可选择三种起动电流曲线:恒流、斜坡、突跳,以满足不同工况要求。
人机界面,参数设定、调整、查询方便。
起动时电机均匀加速,无冲击。
重复使用性好,起动性能不受环境温度影响。
免维护,使用寿命长。
可实现软停止。
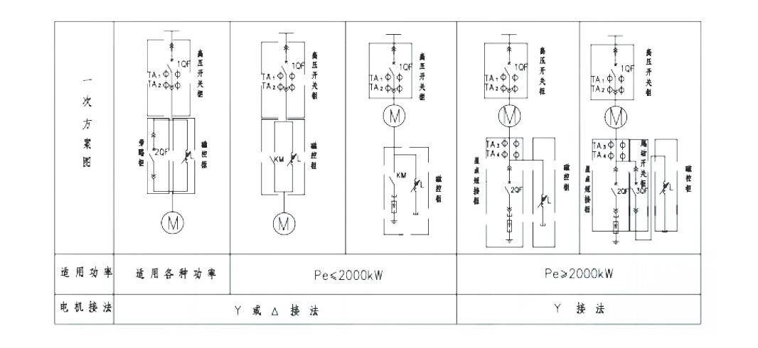
典型应用系统图
