HXGN-12环网柜

分享
微信
新浪微博
QQ
QQ空间
豆瓣网
百度贴吧
简介 HXGN-12 型环网柜,是城乡各类用户变配电系统的首选开关产品。广泛用于 10KV/6KV系统,柜体采用 8MF 型钢局部焊接后组装而成,整柜美观大方。
13806489111
产品详情

产品型号

2.jpg


性能特点

1、HXGN-12 型环网柜柜体尺寸小、安装方便,并能够适合空间狭小及环境条件不良的地方。

2、按负荷开关安装方式不同,可分为侧装环网柜和正装环网柜。

3、环网柜内负荷开关、接地开关、前门之间设有连锁,满足"五防"要求。

4、熔断器组合真空负荷开关可配置 12kv,开断能力 31.5KA的熔断器。因此熔断器组合真空负荷开关整体能达31.5KA 的开断能。


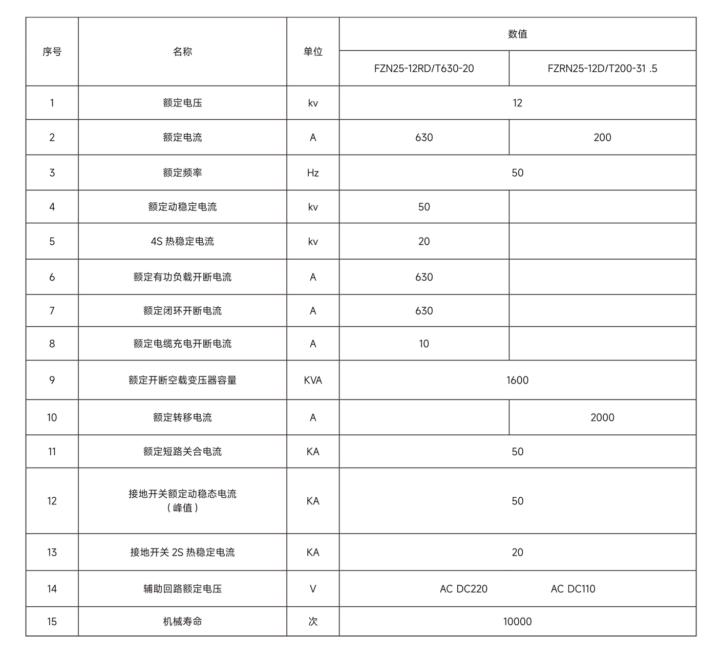
主要技术参数


3.jpg